科学家发现了种植合成矿物化材料的新方法,以模拟人骨

广告

伦敦皇后大学(皇后大学)领导了一支科学家团队,该团队发现了一种新方法来种植合成的矿物化材料。这意味着为模仿牙釉质和骨骼等硬组织的生长铺平道路。

覆盖我们牙齿的搪瓷是一种矿物质丰富的物质,比看起来要强得多。随着时间的流逝,涂层降解并保持健康的涂层是现代牙科面临的最大挑战之一。在没有再生的组织方面,所有其他医学分支也是如此。

(来源:新图集)

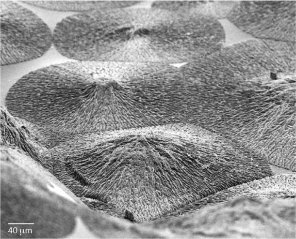
在过去的几年中,研究人员一直在积极刺激搪瓷再生,并开发了许多潜在技术。这一最新发展与所有这些技术不同。它利用一种可以促进磷灰石纳米晶体生长的蛋白质材料,其结构与牙齿牙釉质相似。

这项最新技术使研究人员有能力指导合成纳米材料以这种控制的方式矿化,从而导致创建类似于各种硬组织的合成结构。

(来源:新图集)

“关键发现是可以利用无序蛋白来控制和指导多个尺度上的矿化过程,”该研究的主要作者Alvaro Mata解释说。“通过此,我们开发了一种技术,可以轻松地生长合成材料,这些材料在大面积上模仿这种层次结构的建筑,并具有调整其性能的能力。”

最新的研究表明,这些有序的矿化结构可用于在天然组织上制作坚固而坚硬的膜或涂层。最初认为它可以在牙釉质形成方面有助于牙科,但可以在包括修复骨骼在内的许多情况下应用。

(来源:新图集)

“这是令人兴奋的,因为矿化平台的简单性和多功能性为治疗和再生牙科组织提供了机会,”这项研究的第一作者说,Sherif Elsharkawy。“例如,我们可以开发抗酸绷带,这些抗酸可以浸润,矿化和屏蔽型人类牙齿的牙本质小管,以治疗牙本质超敏反应。”

对于医学科学来说,这确实是美好的一天。

广告

发表评论

您的电子邮件地址不会被公开。